To content
Автопитер — интернет-магазин автозапчастей в КазахстанеАвтопитер — интернет-магазин автозапчастей в Казахстане
Астана
Вход
Корзина
Поставщики
Бренды
  • от 1 719 ₸
  • от 1 906 ₸
  • от 2 051 ₸
  • от 13 520 ₸
×
+ 3 дня к доставке, если выбранная деталь крупногабаритная или входит в список запрещенных для авиадоставки запчастей

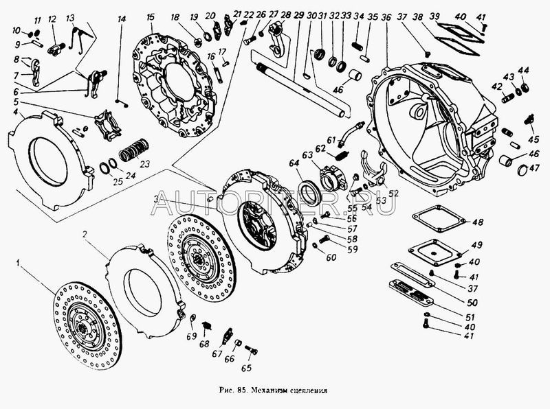
Камаз 141601086

Узел-рычаг оттяжной корзины сцепления
Узел-рычаг оттяжной корзины сцепления 141601086 Камаз
Узел-рычаг оттяжной корзины сцепления 141601086 Камаз
Узел-рычаг оттяжной корзины сцепления 141601086 Камаз
Узел-рычаг оттяжной корзины сцепления 141601086 Камаз
  • Артикул
    141601086
  • Производитель
    Камаз
  • Страна бренда
    Россия
Самый дешевый
1 906 
суббота 21.02
Самый быстрый
2 966 
пятница 20.02
Уровень цен: ОПТ
Поставщики
Бренды
Все фильтры
Запрошенный номер
154 предложения
Регион поставщика Поставщик Производитель Номер Наименование НаличиеНал. Доставка Цена Заказ
Набережные Челны
35065
Камаз14.1601086
Узел 086
96 шт
5 дн
1 906
Набережные Челны
28330
Камаз14-1601086
Узел корзины сцепления в сборе TRUCKMARK
541 шт
6 дн
1 925
Нижний Новгород
36561
Камаз141601086
Рычаг оттяжной нажимного диска сцепления с вилкой и пружиной (без подшипников)
50 шт
10 дн
1 957
Набережные Челны
38965
Камаз14.1601086
Узел 086
206 шт
5 дн
2 047
Нижневартовск
30810
Камаз14-1601086
Рычаг оттяжной в сборе (узел корз. сцеплен.) 086
2 шт
10 дн
2 138
Тюмень
39386
Камаз14-1601086
Рычаг оттяжной корзины сцепления Камаз в сб. (ОАО Камаз)
7 шт
6 дн
2 387
Череповец
32762
Камаз14-1601086
Рычаг оттяжной сцепления в сборе КамАЗ
4 шт
10 дн
2 512
Набережные Челны
42062
Камаз14.1601086
Узел 086
206 шт
5 дн
2 551
Шымкент
38549
Камаз14.1601086#
Лапка сцепления 14.1601086#
2 шт
12 дн
2 751
Екатеринбург
33887
Камаз141601086
Рычаг оттяжной в сборе КАМАЗ 14.1601086
30 шт
4 дн
2 966
Набережные Челны
28012
Камаз14-1601086
Узел корзины сцепления в сборе (узел 086) на Камаз ОАО КАМАЗ
1 шт
5 дн
3 286
Москва
41233
Камаз14-1601086
Узел корзины сцепления в сборе (узел 086) на Камаз ОАО КАМАЗ
1 шт
8 дн
3 373
Набережные Челны
32228
Камаз14-1601086
АНАЛ0Г Узел корзины сцепления в сборе
500 шт
5 дн
3 662
Минск
38484
Камаз14.1601086*
рычаг оттяжной в сб.*
6 шт
8 дн
3 818
Минск
34697
Камаз141601086
рычаг оттяжной в сб.*
6 шт
10 дн
4 009
Новосибирск
39863
Камаз14.1601086
Рычаг диска (корзины) сцепления в сборе ПАО КАМАЗ
4 шт
27 дн
4 021
Москва
10795
Камаз141601086
Узел корзины сцепления в сборе 14-1601086
6 шт
10 дн
4 354
Москва
32029
Камаз141601086
КАМАЗ РЫЧАГ ОТТЯЖНОЙ (УЗЕЛ 086) В СБ.Н.ЧЕЛНЫ
11 шт
13 дн
4 357
Красноярск
28085
Камаз141601086
Рычаг оттяжной в сборе ПАО КАМАЗ
4 шт
8 дн
4 521
Вологда
9363
Камаз141601086
Рычаг корзины сцепления КАМАЗ в сборе (ПАО КАМАЗ)
2 шт
10 дн
5 041
Москва
30511
Камаз141601086
Рычаг корзины сцепления КАМАЗ в сборе (ОАО КАМАЗ)
4 шт
30 дн
5 164
Ярославль
24321
Камаз14.1601086
Рычаг оттяжной диска нажимного в сборе 14.1601086 КАМАЗ
1 шт
10 дн
6 338
Иркутск
38426
Камаз14.1601086
Рычаг оттяжной в сборе (лапка корзины сцепления) 14.1601086
13 шт
14 дн
6 483
Тюмень
39276
Камаз14.1601086
Рычаг оттяжной в сборе (без роликов). ПАО Камаз оригинал
14 шт
10 дн
6 635
Курск
33975
Камаз14.1601086
Рычаг оттяжной корзины сцепления (узел) с вилкой и пружиной в сборе
4 шт
10 дн
7 783
Курск
40150
Камаз14.1601086
Рычаг оттяжной корзины сцепления (узел) с вилкой и пружиной в сборе
4 шт
10 дн
7 783
Волгоград
15440
Камаз14-1601086
Рычаг оттяжной сцепления КАМАЗ ОАО КАМАЗ в сб.*
2 шт
10 дн
8 717
Санкт-Петербург
24260
Камаз14.1601086
РЫЧАГ ОТТЯЖНОЙ В СБОРЕ
4 шт
6 дн
8 736
Москва
34986
Камаз14.1601086
Рычаг оттяжной нажимного диска в сборе(без роликов)
4 шт
6 дн
9 058
Тюмень
26348
Камаз14-1601086
Рычаг оттяжной (узел 086) в сб.(ОАО Камаз)
4 шт
10 дн
9 232
Москва
41907
Камаз141601086
141601086 РЫЧАГ ОТТЯЖНОЙ В СБОРЕ
4 шт
8 дн
9 756
Санкт-Петербург
601
Камаз141601086
РЫЧАГ ОТТЯЖНОЙ В СБОРЕ
4 шт
8 дн
9 784
Екатеринбург
32178
Камаз14.1601086
Рычаг оттяжной корзины сцепления (ОНМ)"
7 шт
6 дн
10 195
Оренбург
34450
Камаз14.1601086
Лапка корзины сцепления КАМАЗ (рычаг оттяжной сцепл. в сборе с вилкой, кузнечик)
20 шт
6 дн
12 096
Челябинск
25055
Камаз14.1601086
рычаг оттяжной корзины сцепления в сб. (086)
8 шт
4 дн
12 435
Уфа
31797
Камаз141601086
Рычаг оттяжной в сборе КАМАЗ (без ролика) (ПАО "КАМАЗ")
94 шт
8 дн
12 533
Набережные Челны
28365
Камаз141601086
Рычаг оттяжной в сборе КАМАЗ (без ролика) (ПАО "КАМАЗ")
94 шт
6 дн
12 644
Самара
10643
Камаз141601086
Рычаг оттяжной в сборе КАМАЗ (без ролика) (ПАО "КАМАЗ")
94 шт
8 дн
12 644
Ульяновск
15266
Камаз141601086
Рычаг оттяжной в сборе КАМАЗ (без ролика) (ПАО "КАМАЗ")
94 шт
8 дн
12 644
Тольятти
36580
Камаз141601086
Рычаг оттяжной в сборе КАМАЗ (без ролика) (ПАО "КАМАЗ")
94 шт
8 дн
12 644
Пермь
28366
Камаз141601086
Рычаг оттяжной в сборе КАМАЗ (без ролика) (ПАО "КАМАЗ")
94 шт
10 дн
12 644
Пенза
31798
Камаз141601086
Рычаг оттяжной в сборе КАМАЗ (без ролика) (ПАО "КАМАЗ")
94 шт
10 дн
12 754
Москва
14499
Камаз141601086
Рычаг оттяжной в сборе КАМАЗ (без ролика) (ПАО "КАМАЗ")
94 шт
6 дн
12 976
Казань
14903
Камаз141601086
Рычаг оттяжной в сборе КАМАЗ (без ролика) (ПАО "КАМАЗ")
94 шт
8 дн
12 976
Ижевск
28364
Камаз141601086
Рычаг оттяжной в сборе КАМАЗ (без ролика) (ПАО "КАМАЗ")
94 шт
8 дн
12 976
Нижний Новгород
7342
Камаз141601086
Рычаг оттяжной в сборе КАМАЗ (без ролика) (ПАО "КАМАЗ")
94 шт
8 дн
13 087
Ярославль
34816
Камаз141601086
Рычаг оттяжной в сборе КАМАЗ (без ролика) (ПАО "КАМАЗ")
94 шт
21 дн
13 198
Липецк
38360
Камаз141601086
Рычаг оттяжной в сборе КАМАЗ (без ролика) (ПАО "КАМАЗ")
94 шт
10 дн
13 309
Волгоград
16842
Камаз141601086
Рычаг оттяжной в сборе КАМАЗ (без ролика) (ПАО "КАМАЗ")
94 шт
13 дн
13 309
Вологда
36581
Камаз141601086
Рычаг оттяжной в сборе КАМАЗ (без ролика) (ПАО "КАМАЗ")
94 шт
23 дн
13 420
Москва
42076
Камаз141601086
Рычаг оттяжной в сборе КАМАЗ (без ролика) (ПАО "КАМАЗ")
94 шт
10 дн
13 677
Краснодар
33857
Камаз141601086
Рычаг оттяжной в сборе КАМАЗ (без ролика) (ПАО "КАМАЗ")
94 шт
13 дн
13 753
Ростов-на-Дону
32044
Камаз141601086
Рычаг оттяжной в сборе КАМАЗ (без ролика) (ПАО "КАМАЗ")
94 шт
11 дн
13 801
Москва
41744
Камаз'141601086
Рычаг корзины сцепления в сборе КАМАЗ 14.1601086
4 шт
14 дн
13 876
Нижний Новгород
35258
Камаз141601086
Рычаг оттяжной в сборе КАМАЗ (без ролика) (ПАО "КАМАЗ")
94 шт
10 дн
13 962
Москва
32885
Камаз141601086
N/23174773/KAMAZ/Рычаг оттяжной в сборе КАМАЗ (без ролика) (ПАО "КАМАЗ")
94 шт
10 дн
14 099
Тула
40663
Камаз14.1601086
Рычаг оттяжной в сборе 14.1601086
1 шт
10 дн
14 227
Нижний Новгород
38435
Камаз141601086
Рычаг оттяжной в сборе КАМАЗ (без ролика) (ПАО "КАМАЗ")
94 шт
10 дн
14 265
Нижний Новгород
41210
Камаз141601086
Рычаг оттяжной в сборе КАМАЗ (без ролика) (ПАО "КАМАЗ")
94 шт
10 дн
14 265
Сургут
34765
Камаз14.1601086
Рычаг оттяжной в сборе
5 шт
10 дн
14 416
Аналоги (заменители) для запрошенного номера
12 предложений
Регион поставщика Поставщик Производитель Номер Наименование НаличиеНал. Доставка Цена Заказ
Москва
30352
DZC141601086
Рычаг оттяжной сцепления в сборе КамАЗ DZC
960 шт
10 дн
1 719
Москва
19266
DZC141601086
Рычаг оттяжной сцепления в сборе КамАЗ
960 шт
6 дн
1 952
Набережные Челны
42066
Альтернатива141601086
Узел 086 в сб. корзины сцепления
7 шт
5 дн
2 051
Москва
33834
DZC141601086
РЫЧАГ ОТТЯЖНОЙ СЦЕПЛЕНИЯ В СБОРЕ КАМАЗ
960 шт
10 дн
2 134
Тамбов
32276
Альтернатива141601086
КАМАЗ Рычаг оттяжной корзины в сб.( узел) 14.1601086
8 шт
10 дн
2 466
Набережные Челны
41452
Альтернатива141601086
Узел корзины сцепления в сборе
500 шт
5 дн
2 508
Москва
25443
Альтернатива141601086
Узел 086 в сб. корзины сцепления
3 шт
8 дн
2 574
Москва
32029
Альтернатива141601086
КАМАЗ Рычаг оттяжной корзины в сб.( узел) 14.1601086
8 шт
13 дн
2 793
Набережные Челны
37378
Альтернатива141601086
РЫЧАГ ОТТЯЖНОЙ В СБ. узел диска нажимного
8 шт
5 дн
2 858
Москва
26676
Маз141601086
Рычаг корзины сцепления КАМАЗ в сборе 4шт.
5 шт
6 дн
13 520
Москва
11949
Камаз14160108601
Рычаг оттяжной в сборе (Узел 086) (ПАО КАМАЗ)
1 шт
6 дн
17 693
Нижний Новгород
15026
Маз141601086
Рычаг корзины сцепления в сборе (ОАО КАМАЗ)
1 шт
8 дн
20 732
Информация по подбору аналогичных деталей является справочной, требует уточнений и не является безусловной причиной для возврата.
Изображение детали на фотографии может отличаться от аналогов. В наименовании запчастей допускаются ошибки из-за не точности перевода с иностранных прайсов.

Применимость

КамАЗ
740.11-240, 740.31-240 (2006)740.11-240, 740.31-240 (2006)
740.31-240 (Евро 2)740.31-240 (2004)
КамАЗ-43104310, 43105
КамАЗ-4310143101, 43106
КамАЗ-4310 (каталог 2004 г)4310, 43105
КамАЗ-4311443114 , 43114
КамАЗ-4311843118 (2002)
КамАЗ-43264326 (2001)
КамАЗ-43261 (Евро-1, 2)43261, 4326, 43114, 43118 (2007)
КамАЗ-4326 (каталог 2003г)4326 , 4326
КамАЗ-52975297-3902001 КД (2004)
КамАЗ-53205320
КамАЗ-5321253212
КамАЗ-53228, 6511153228, 65111 (2004) , 53228, 65111 (2004)
КамАЗ-54105410
КамАЗ-5411254112
КамАЗ-5510255102
КамАЗ-55115511, 55111 (2003)
КамАЗ-6511553215, 54115, 55111, 65115 (2001)
Общий (см. мод-ции)5320, 53212, 5410, 54112, 5511, 55102 null
Показать ещё

Рекомендуем

С этим товаром часто покупают