To content
Помощь по сайту
Новости
zapros.kz@autopiter.com
Контакты
Все категории
Каталоги запчастей
Астана
Вход
Корзина
Все категории
Каталоги запчастей
Фильтры Hebel Kraft
Оригинальные каталоги по VIN
Неоригинальные запчасти
Запчасти ВАЗ, ГАЗ, КАМАЗ
Запчасти для ТО
Запчасти на ВАЗ, ГАЗ, Камаз и т.д.
Агро
КУЗБАСС-А ПК-10,6
КУЗБАСС-А ПК-10,6
kuzbass-a-pk-106
Поиск деталей
Например:
Компоненты гидросистемы регулировки глубины заделки на ПК-10,6 «Кузбасс-А»
Гидросистема
Гидропривод вентилятора
Посевной комплекс
Бункер-пневмосистема
Компоненты гидросистемы регулировки глубины заделки на ПК-10,6 «Кузбасс-А»
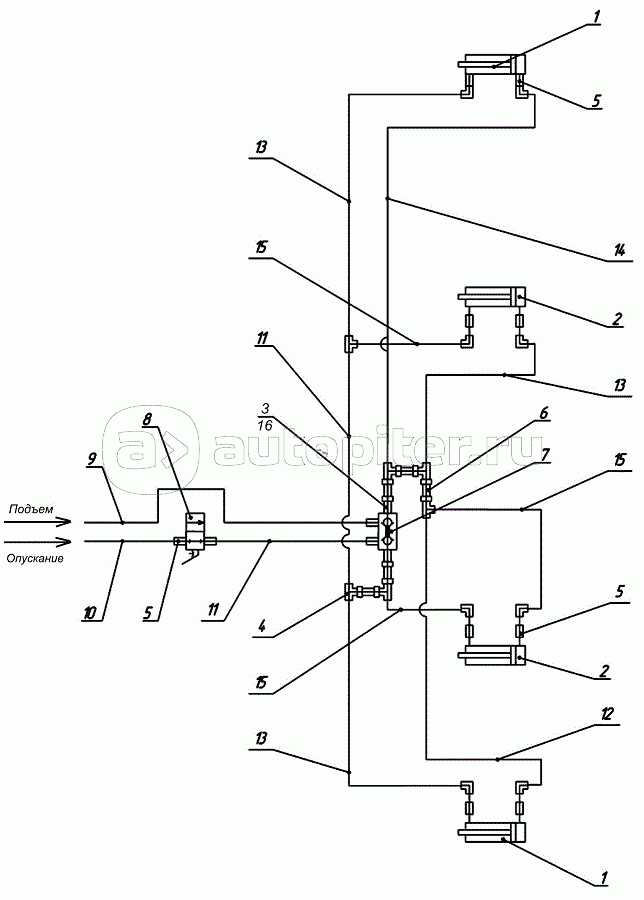
Компоненты гидросистемы управления «подъем/опускание крыльев» на ПК-10,6 «Кузбасс-А»
Заказы на сайте принимаются и обрабатываются круглосуточно
Бесплатно доставляем заказы «до двери» оптовым клиентам 5‑6 раз в неделю нашей собственной курьерской службой
Для тех, кто забирает заказы самостоятельно мы стараемся удобно располагать наши пункты самовывоза
Оплатить все товары можно
Или выбрать другой удобный для вас способ