КУЗБАСС ПК-12,2kuzbass-pk-122
Поиск деталей
Компоненты гидросистемы регулировки глубины заделкиКомпоненты гидросистемы управления «шнек – подъем/опускание крыльев»Гидропривод вентилятораГидросистема маркеровПосевной агрегат/культиваторБункер-пневмосистема

Система электрооборудования для ПК с двухосным бункером

Система электрооборудования для ПК с одноосным бункером

Система электрооборудования для ПК-6,1 с одноосным бункером

Первичный коллектор-распределитель для ПК-8,5, 9,7, 12,2

Первичный коллектор-распределитель для ПК-6,1

Первичный коллектор-распределитель Для ПК-6,1Р (с раздельным высевом)

Вторичный коллектор-распределитель

Воздухоочиститель-2006

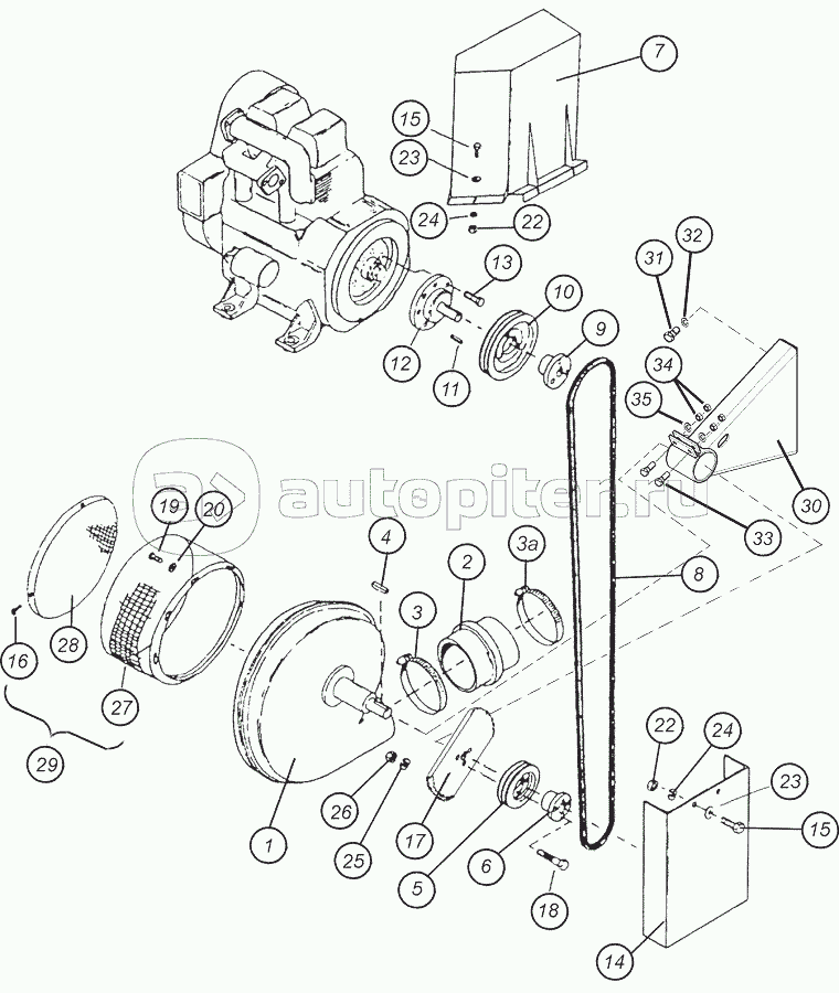
Дизельный привод вентилятора

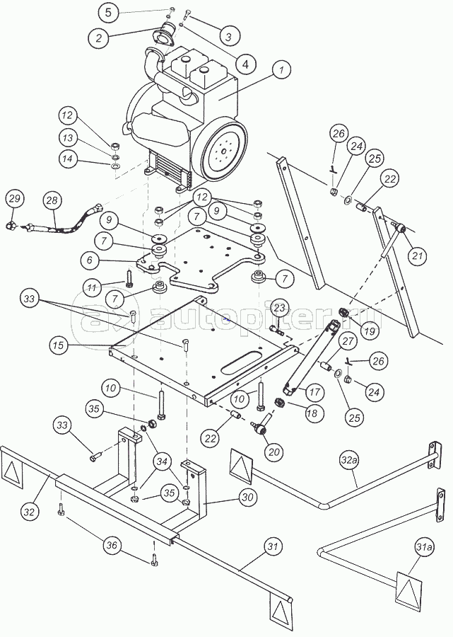
Дизельный двигатель, установочные узлы и детали

Аккумуляторная батарея

Вентилятор 6"

Вентилятор 6" с гидроприводом

Вентилятор 8" с гидроприводом

Привод высевающего механизма (бункер V=6,5м3)

Привод высевающего механизма (бункер 1-осный V=10м3)

Поручни, лестница, площадка

Топливный бак до 10.2013 г.

Топливный бак после 10.2013 г.

Передняя ось и сцепка 2-осного бункера

Сошник, лемех, рассекатель

Высевающий узел

Крышка бункера

Шнек

Манипулятор шнека

Манипулятор шнека O224 (бункер V=10м3)

Манипулятор шнека O224 (бункер V=6,5 м3)

Дозирующие валики

Задняя ось 2-осного бункера

Ось одноосного бункера V=6,5м3

Ось одноосного бункера V=10м3