To content
Помощь по сайту
Новости
zapros.kz@autopiter.com
Контакты
Все категории
Каталоги запчастей
Астана
Вход
Корзина
Все категории
Каталоги запчастей
Фильтры Hebel Kraft
Оригинальные каталоги по VIN
Неоригинальные запчасти
Запчасти ВАЗ, ГАЗ, КАМАЗ
Запчасти для ТО
Запчасти на ВАЗ, ГАЗ, Камаз и т.д.
Агро
КУЗБАСС ПК-6,1
КУЗБАСС ПК-6,1
kuzbass-pk-61
Поиск деталей
Например:
Схема установки гидроцилиндров и шлангов ПК-8.5,9.7,12.2 (гидросистема регулировки глубины заделки)
Компоненты гидросистемы регулировки глубины заделки
Компоненты гидросистемы управления «шнек – подъем/опускание крыльев»
Гидропривод вентилятора
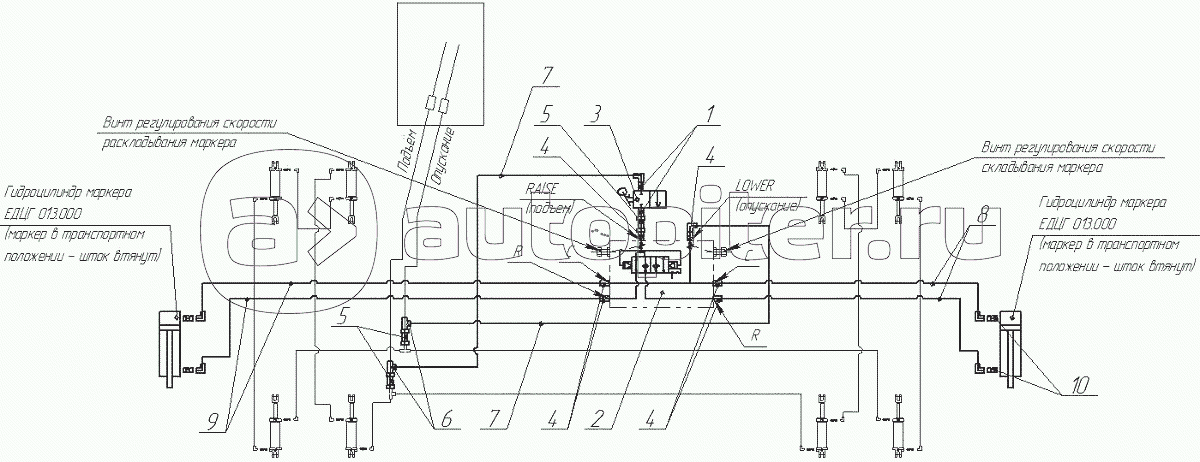
Гидросистема маркеров
Посевной агрегат/культиватор
Бункер-пневмосистема
Гидросхема подключения маркеров ПК-8,5 «Кузбасс»
Гидросхема подключения маркеров ПК-9,7 «Кузбасс» и ПК-12,2 «Кузбасс»
Установка маркеров на раму ПК-8,5 «Кузбасс»
Установка маркеров на раму ПК-9,7 и ПК-12,2 «Кузбасс»
Заказы на сайте принимаются и обрабатываются круглосуточно
Бесплатно доставляем заказы «до двери» оптовым клиентам 5‑6 раз в неделю нашей собственной курьерской службой
Для тех, кто забирает заказы самостоятельно мы стараемся удобно располагать наши пункты самовывоза
Оплатить все товары можно
Или выбрать другой удобный для вас способ