To content
Помощь по сайту
Новости
zapros.kz@autopiter.com
Контакты
Все категории
Каталоги запчастей
Астана
Вход
Корзина
Все категории
Каталоги запчастей
Фильтры Hebel Kraft
Оригинальные каталоги по VIN
Неоригинальные запчасти
Запчасти ВАЗ, ГАЗ, КАМАЗ
Запчасти для ТО
Запчасти на ВАЗ, ГАЗ, Камаз и т.д.
BAW
Трансмиссия BJ 1044/1065
Трансмиссия BJ 1044/1065
transmissiya-bj-1044-1065
Поиск деталей
Например:
Сцепление (1601)/1 (BAW BJ1044, КПП LG5T35-BQ2)
Сцепление
Коробка передач
Передача карданная
Мосты
Ступицы
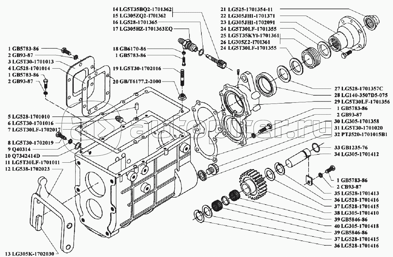
Коробка передач (1700)
Коробка передач (1701)/1
Коробка передач (1701)/2
Коробка передач (1701)/3
Коробка передач (1701)/4
Механизм переключения передач (1702)/1
Механизм переключения передач (1702)/2
Заказы на сайте принимаются и обрабатываются круглосуточно
Бесплатно доставляем заказы «до двери» оптовым клиентам 5‑6 раз в неделю нашей собственной курьерской службой
Для тех, кто забирает заказы самостоятельно мы стараемся удобно располагать наши пункты самовывоза
Оплатить все товары можно
Или выбрать другой удобный для вас способ