75302, 75306, 75307, 7530975302-75306-75307-75309
Поиск деталей
Дизель-генератор, система пневмостартерного пуска двигателя, предпусковой подогреватель;Diesel-generator, engine pneumatic start-up system, pre-start heaterСистема питания двигателя;Fuel fitting systemСистема выпуска отработавших газов;Exhaust systemСистема охлаждения двигателя;Fuel cooling systemЭлектропривод тяговый;Electric traction driveВедущий мост;Driving axleРама;FrameПодвеска;SuspensionПередняя ось;Front axleКолеса и шины;Wheels tiresРулевое управление;SteeringТормозные системы;Braking systemЭлектрооборудование;Electric equipmentИнструмент и принадлежности;Tools and accessoriesСистема пожаротушения, централизованная автоматическая система смазки "Lincoln", система контроля загрузки и топлива;Fire fighting system, centralized automatic lubrication system "Lincoln", load and fuel control systemСистема видеообзора;Video view systemКабина;CabinОперение и платформа;Fendering and bodyОпрокидывающий механизм;Dumping mechanismПодшипники;Bearings

Монтаж гидравлического привода тормозов (75306-3500003);Mounting of brake hydraulic drive (75306-3500003)

Пневмогидроаккумулятор (75131-3415010);Pneumohydraulic accumulator (75131-3415010)

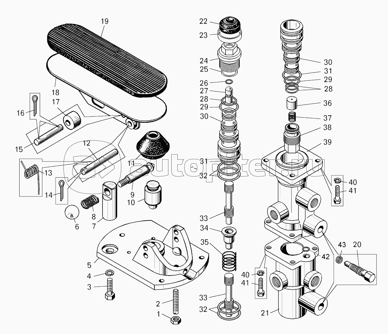
Кран управления тормозами (7555А-3514010-01);Control brake valve (7555А-3514010-01)

Двойной защитный клапан (75125-3515110);Dual safety valve (75125-3515110)

Распределитель (75450-3537070);Distributor (75450-3537070)

Клапан двухмагистральный (75221-4619074);Double-way valve (75221-4619074)

Соединительный клапан (75212-3408430);Connecting valve (75212-3408430)

Монтаж трубопроводов компрессора (75302-3500016-10);Mounting of compressor pipelines (75302-3500016-10)

Монтаж трубопроводов компрессора (75306-3500016-20);Mounting of compressor pipelines (75306-3500016-20)