СПС-4,2А-02sps-42a-02
Поиск деталей
Например: Свеклопогрузчик-очиститель СПС-4,2А-02
Очиститель шнековыйПитатель грабельныйШнековый транспортерГрабельный аппаратТрансмиссия питателяГидросистема грабельного аппарата

Гидросистема грабельного аппарата

Гидросистема грабельного аппарата

Гидросистема грабельного аппарата

Гидрораспределитель

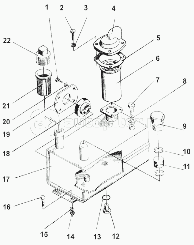
Маслобак

Клапан

Маслопровод всасывания

Патрубок

Масломер

Фильтр

Гидроцилиндр

Гидросистема грабельного питателя

Гидросистема грабельного питателя

Устройство запорное

Система автоконтроля свеклопогрузчика

Система автоконтроля свеклопогрузчика