БЕЛАРУС 320belarus-320
Поиск деталей
Например: Блок цилиндров;Cylinder Block
Механизмы дизеляСистема питанияСистема выпуска газаСистема охлажденияСистема смазкиСцеплениеКоробка передачПривод карданныйПередний ведущий мостЗадний мостУстройство прицепноеРамаОсь передняяКолеса и ступицыУправление рулевоеТормозаЭлектрооборудованиеПриборыИнструмент и принадлежностиОтбор мощностиГидросистема раздельно-агрегатнаяКабинаСиденье оператораПринадлежности кабиныОперениеСтандартизированные детали

Бак топливный;Fuel Tank

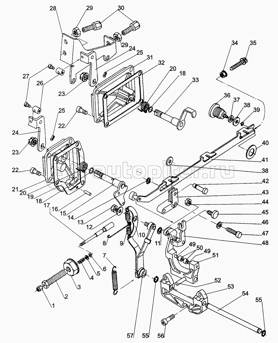
Управление подачей топлива;Fuel Delivery Control

Тракт воздухопроводящий;Air Intake Piping

Трубопроводы топливные и установка топливной аппаратуры;Fuel Pipelines and Fuel Equipment Installation

Регулятор частоты вращения;Speed Governor

Коллектор всасывающий и выхлопной;Intake and Exhaust Manifold