Тонар-97461tonar-97461-2309
Поиск деталей
Тонар 97461-0000050-70

Общий вид полцприцепа модели 97461-0000050-70

Ось с рессорами 9746-2415009-10

Ось с тормозами 9042-2410016-10

Балка оси 9523-2410090-50

Механизм подъёма оси

Барабан со ступицей 9042-3104010

Колодка с накладками 2200080061

Схема каркаса тента для 97461-0000050-70 (L=13,6m.)

Борт 97461-5400580

Комплект сдвижной крыши

Установка проёма с дверями 97461-6300700

Дверь левая 97461-6301300-91

Дверь правая 97461-6301300-90

Передний щит 97461-5301550-30

Установка запасного колеса

Колесо в сборе 9746-3107010

Боковое защитное устройство моделей 97461, 9746

Установка крыльев на модели 97461, 97461Н, 974611

Установка заднего защитного устройства

Привод натяжения боковин

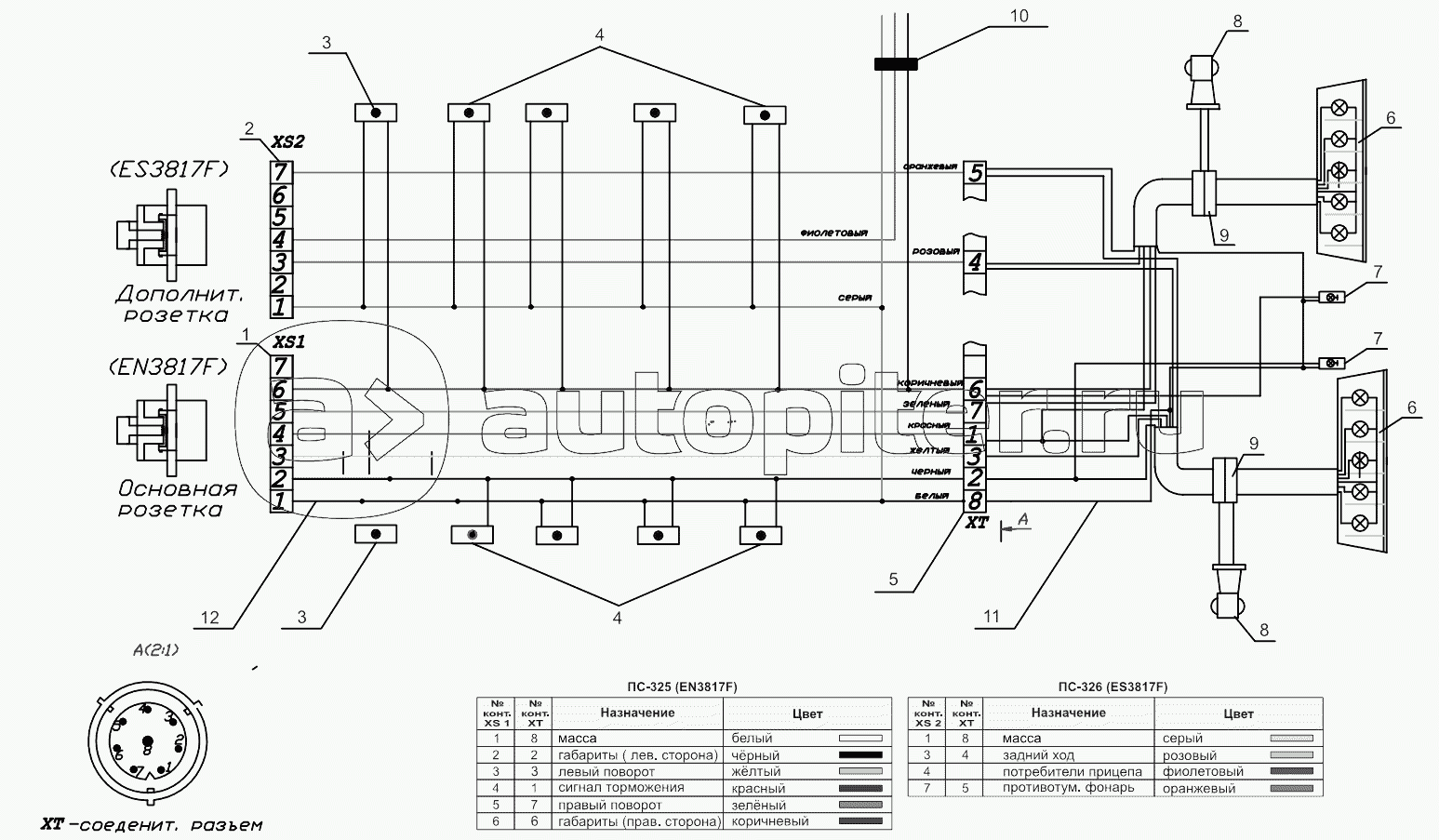
Схема принципиальная

Схема пневматическая с компонентами WABCO